
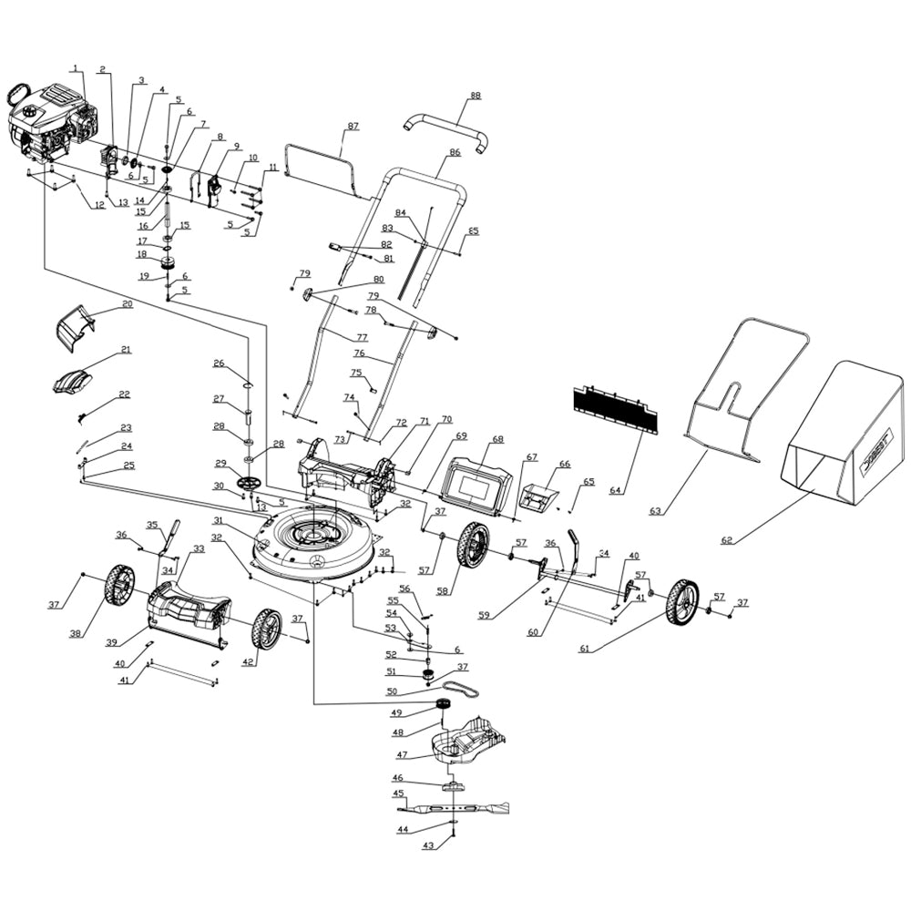
Lawn Mower Parts - Drive Belt (SANLUX Z787Li809Ld) Stock #302040085
Item: Drive Belt (SANLUX Z787Li809Ld)
302040085
For PowerSmart Lawn Mower Model:
DB2321SR B8621S

Lawn Mower Parts - Drive Belt (SANLUX Z787Li809Ld) Stock #302040085
Sale price$12.00
Regular price$17.00


























































































































